如前文所述,货架虽然是标准化产品,但是仅通过计算进行设计可能不够准确。因此,当计算分析方法未给出或者不适用时,应指定测试方法。
值得一提的是,以下所有测试均为辅助设计的手段,所获得的各种数据与参数应用于整体模型的分析、构件的校核,最终形成一份完整的结构计算报告。仅仅提供部件的测试报告,并不能证明货架的承载满足标准,亦不能对货架做出所谓的认证。
1.1 拉伸测试
目的是评估加工货架所用材料的名义屈曲强度、确定实际屈服强度、修正测试结果。
1.2 弯曲测试
目的是证明加工货架所用材料是否具有足够的延性。
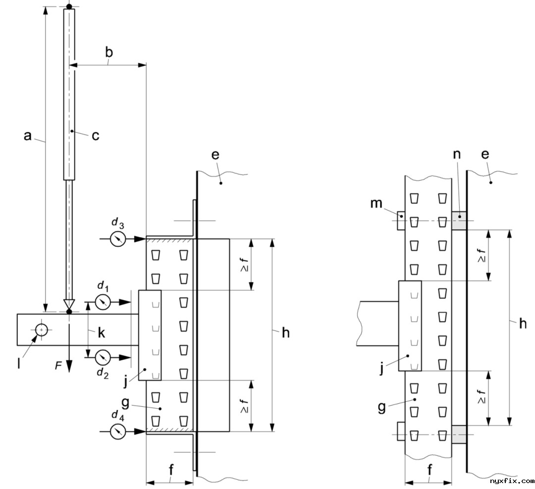
2.1 短柱测试
目的是确定开孔、局部屈曲等因素对立柱截面轴压承载力的影响。实验装置示意图如下。
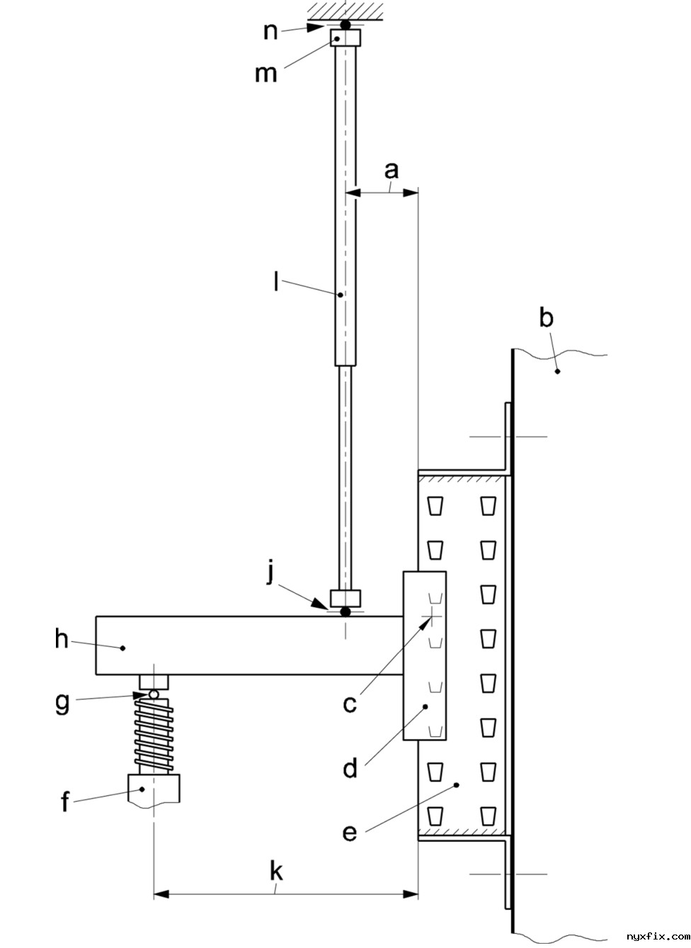
2.2 中长柱轴压测试-确定畸变屈曲的效应
目的是确定畸变屈曲对立柱轴压承载力的影响。实验装置同短柱测试,只不过测试的立柱长度取立柱组节距。
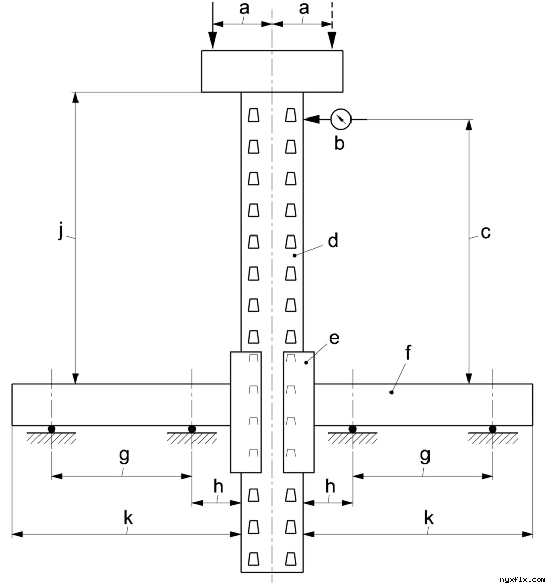
2.3 立柱组轴压测试-确定屈曲曲线
目的是确定一系列不同有效长度(沿巷道方向屈曲)立柱的轴压承载力,考虑所有的屈曲模式与支撑杆类型与布置影响。
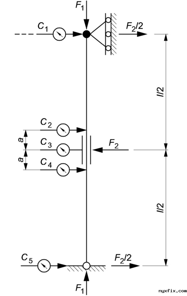
2.4 立柱组剪切测试
目的是确定立柱组横向剪切刚度及撑杆节点松动。有以下两种加载方向可供选择。
2.5 立柱弯曲测试
目的是确定立柱绕截面强轴与弱轴的弯曲承载力。
2.6 承载梁弯曲测试
目的是确定一组承载梁的弯曲承载力。
3.1 梁端节点弯曲测试
目的是确定梁端节点的弯曲刚度与弯曲承载力。
3.2 梁端节点初始松动测试
目的是确定梁端节点的初始松动值。
3.3 梁端节点及安全插销剪切测试
目的是确定梁端节点与安全插销的剪切承载力。
3.4 梁端节点弯剪相互作用测试
目的是确定梁端节点在不同组合的弯矩与剪力相互作用下的特性。实验装置同梁端节点弯曲测试。
3.5 柱脚节点测试
目的是确定立柱与地坪连接节点在不同立柱轴力作用下的弯矩-转角特征。
3.6 立柱拼接测试
目的是确定立柱拼接节点的强度与刚度。
本站的原创文章,请转载时务必注明出处:稳图WESAFE,不尊重原创的行为我们将追究责任。